当前位置:首页 > 通知公告

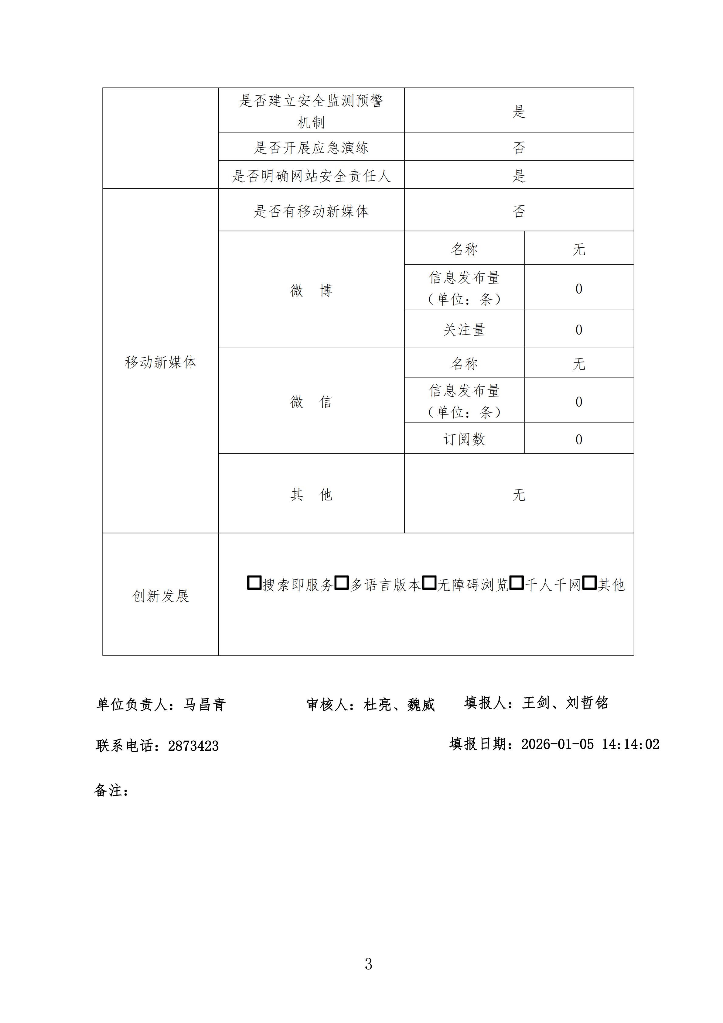
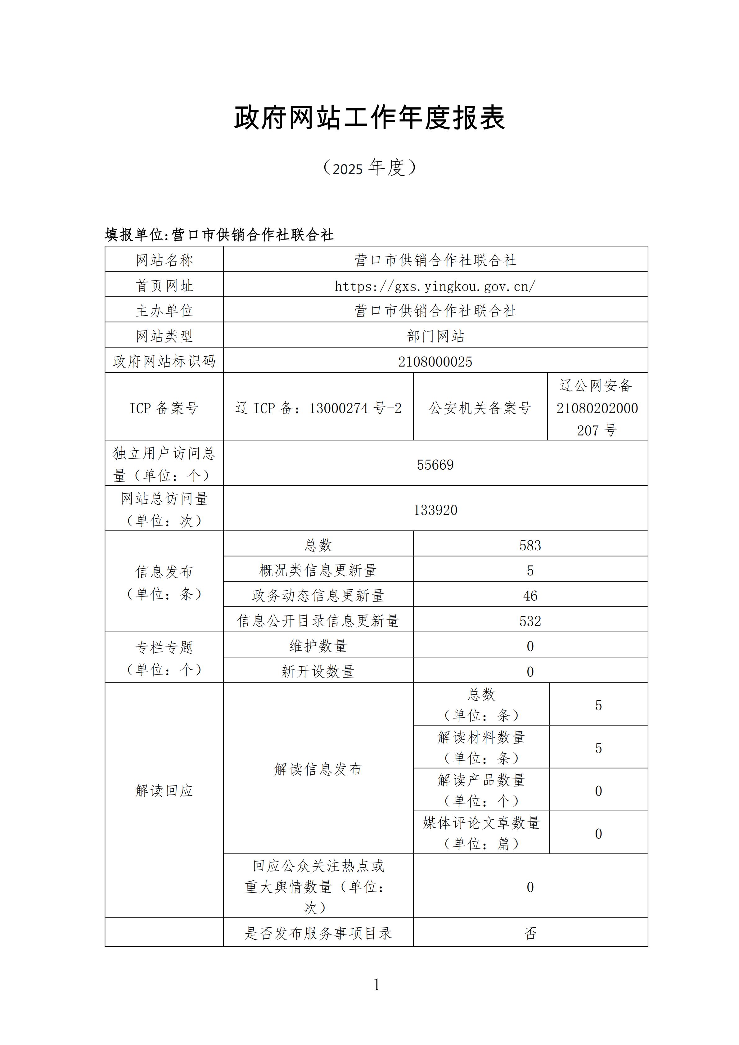
营口市供销合作社联合社2025年度网站报表

来源:营口市供销社

作者:

发布时间:2026-01-05

【字号:

分享:




  • 附件:
  • 视频:
扫一扫在手机打开当前页